Gun Metal / Bronze Valves consist of a robust bronze alloy gunmetal, predominantly containing copper, tin, and zinc. Owing to its great corrosion resistance, strength and machinability, the alloy is suitable for producing valves. The valves are used generally in marine, plumbing, and industrial purposes.Caliper Overseas provides reliable Gun Metal / Bronze Valves suitable for prolonged usage, leakage-free sealing, and smooth functioning at different pressure conditions.
Our valves are made according to international standards and come in various types like Ball, Globe, Gate, and Check Valves. All of our products are certified by API 600, API 602 and API 603 to provide reliability and safety. For use at home or in industries, these valves provide predictable performance. Being a reliable Gun Metal / Bronze Valve Manufacturer and Supplier in India, we are dedicated to delivering reliable solutions as per your requirements. Get in touch with us today for the best quality valves at affordable prices.

| Manufacturing Standard | IS 778 CL-I / Mfg. Standard |
|---|---|
| Size Range | 15mm to 200mm |
| End Connections | Screwed to BSP / BSPT / NPT Socket Weld and Flanged Ends |
| Inspection & Testing | IS: 318 Gr. LTB2 And As Per Customer Requirement |
| Working Pressure | Maximum Working Pressure: 16 Bar |
| Temperature Limits | Maximum working temperature: 225°C. |
| Application & uses | Petroleum production and refining Industrial process applications HVAC (heating, ventilation and air conditioning systems) Piping and Plumbing Paper and Pulp Production Power generation Food and beverage processing. |
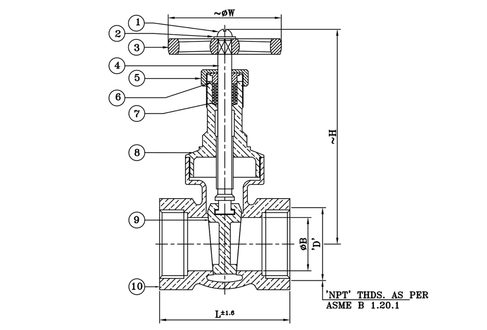
| P. No. | NAME OF PART | MATERIAL | SPECIFICATION |
|---|---|---|---|
| 1 | SCREW | MILD STEEL | ------ |
| 2 | WASHER | MILD STEEL | ------ |
| 3 | HAND WHEEL | CAST IRON / (M.S SHEET) | BSEN 1561 ENGJL200 |
| 4 | STEM | H.T. BRASS | BSEN 12165 CW721R |
| 5 | GLAND NUT | BRASS / BRONZE | BSEN 12165 CW617N/ASTM B62 GR. C83600 |
| 6 | GLAND | BRASS | BSEN 12165 CW617N |
| 7 | PACKING | GRAPHITE | ------ |
| 8 | BONNET | BRONZE | ASTM B62 GR. C83600 |
| 9 | WEDGE | BRONZE | ASTM B62 GR. C83600 |
| 10 | BODY | BRONZE | ASTM B62 GR. C83600 |
Gun Metal / Bronze Valves in Distillery Plants
Gun Metal / Bronze Valves in Sugar Industries
Gun Metal / Bronze Valve in Process Industries
Gun Metal / Bronze Valve in Power Plants
Gun Metal / Bronze Valve in Refineries
Gun Metal / Bronze Valve in Petrochemical Plants
Your #1 Source for Gun Metal Valve
Gun Metal and Bronze Valve Stock Availability
Gun Metal / Bronze Ball Valve
Gun Metal Ball Valve, Gun Metal / Bronze Ball Valve Supplier, Bronze Ball Valve, Gun Metal / Bronze Ball Valve Price, Gun Metal & Bronze Ball Valve, Gun Metal / Bronze Ball Valve Exporter, Gun Metal / Bronze Ball Valve Stockist.
Gun Metal / Bronze Globe Valve
Gun Metal Globe Valve, Gun Metal / Bronze Globe Valve Supplier, Bronze Globe Valve, Gun Metal / Bronze Globe Valve Price, Gun Metal & Bronze Globe Valve, Gun Metal / Bronze Globe Valve Exporter, Gun Metal / Bronze Globe Valve Stockist.
Gun Metal / Bronze Gate Valve
Gun Metal Gate Valve, Gun Metal / Bronze Gate Valve Supplier, Bronze Gate Valve, Gun Metal / Bronze Gate Valve Price, Gun Metal & Bronze Gate Valve, Gun Metal / Bronze Gate Valve Exporter, Gun Metal / Bronze Gate Valve Stockist.
Gun Metal / Bronze Check Valve
Gun Metal Check Valve, Gun Metal / Bronze Check Valve Supplier, Bronze Check Valve, Gun Metal / Bronze Check Valve Price, Gun Metal & Bronze Check Valve, Gun Metal / Bronze Check Valve Exporter, Gun Metal / Bronze Check Valve Stockist.